logo
Ev > Ürünler > ivmeölçer sensörü >
Honeywell QA2000 Inersyal Navigasyon için Esnek Kuvars Hızlandırıcı

Honeywell QA2000 Inersyal Navigasyon için Esnek Kuvars Hızlandırıcı

Aircraft Flexible Acceleration Sensor

Military Grade Acceleration Sensor

Flexible Quartz Accelerometer Sensor

Place of Origin:

China (Mainland)

Marka adı:

Honeywell

Sertifika:

certificate of explosion-proof, CE

Model Number:

QA-2000

Bizimle İletişim
Teklif Et
Ürün Ayrıntıları
Input Range:
1
Bias [mg:
1
Temperature Sensitivity [ppm/ºC:
1
Bandwidth [Hz:
1
Case Material:
300 Series Stainless Steel
Shock [g:
1
Vurgulamak:

Aircraft Flexible Acceleration Sensor

,

Military Grade Acceleration Sensor

,

Flexible Quartz Accelerometer Sensor

Ödeme ve Nakliye Şartları
Minimum Order Quantity
1pcs
Packaging Details
each unit has individual box and all boxes are packed in standard packages or customers requests available
Teslim süresi
5-8 iş günü
Payment Terms
T/T,Western Union,MoneyGram
Supply Ability
1000 Pieces per Week
Ürün Tanımı
Honeywell QA2000 Askeri Sınıf Kuvars Esnek İvmeölçer
Ürün Özellikleri
Özellik Değer
Giriş Aralığı 1
Önyargı [mg] 1
Sıcaklık Duyarlılığı [ppm/ºC] 1
Bant Genişliği [Hz] 1
Kasa Malzemesi 300 Serisi Paslanmaz Çelik
Şok [g] 1
Ürüne Genel Bakış

Q-Flex® QA-2000 İvmeölçer - Atalet navigasyon standardı.

Honeywell, atalet navigasyonu için bir ölçüt görevi gören QA2000'i üretmektedir. Günümüz ticari ve askeri uçaklardaki kayışlı atalet navigasyon sistemlerinde kullanılan önde gelen sensördür. QA2000'in uzun vadeli tekrarlanabilirliği ve olağanüstü güvenilirliği, onu mevcut pazardaki en uygun maliyetli atalet sınıfı ivmeölçer yapmaktadır.

Honeywell QA2000 Inersyal Navigasyon için Esnek Kuvars Hızlandırıcı 0
Temel Özellikler
  • Mükemmel açılma tekrarlanabilirliği performansı
  • Çevresel olarak sağlam tasarım
  • Analog çıkış yeteneği
  • Sahada ayarlanabilir aralık
  • Üç bağlantı elemanlı hassas montaj flanşı
  • Termal kompanzasyon için dahili sıcaklık sensörü
  • Çift dahili kendi kendine test işlevi
Teknik Detaylar

QA2000, tüm Q-Flex ivmeölçer ailesine benzer şekilde, patentli bir Q-Flex® kazınmış-kuvars-esnek sismik sistem içerir. Amorf kuvars kanıt kütle yapısı, önyargı, ölçek faktörü ve eksen hizalaması açısından mükemmel tekrarlanabilirlik sağlar.

Entegre elektronikler, hem statik hem de dinamik ivme ölçümleri için ivmeyle orantılı bir çıkış akımı üretir. Belirli uygulamanın ivme aralığına göre uygun şekilde boyutlandırılmış, müşteri tarafından sağlanan bir çıkış yük direncinin kullanılmasıyla, çıkış akımı bir voltaja dönüştürülebilir.

QA2000 ayrıca bir akım çıkışlı dahili sıcaklık sensörüne sahiptir. Sıcaklık dengeleme algoritmaları uygulanarak, önyargı, ölçek faktörü ve eksen yanlış hizalaması açısından performans önemli ölçüde artırılır.

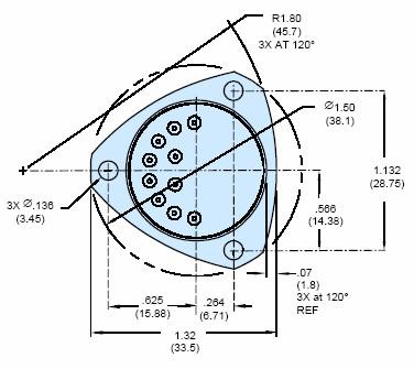
Konfigürasyon Çizimleri
Honeywell QA2000 Inersyal Navigasyon için Esnek Kuvars Hızlandırıcı 1 Honeywell QA2000 Inersyal Navigasyon için Esnek Kuvars Hızlandırıcı 2
Performans Karakteristikleri

Ek ürün özellikleri, ana hat çizimleri ve blok şemaları ve test verileri talep üzerine mevcuttur.

Honeywell QA2000 Inersyal Navigasyon için Esnek Kuvars Hızlandırıcı 3

Sorgularınızı doğrudan bize gönderin.

Gizlilik Politikası Çin İyi Kalite Su kalitesi sensörü Tedarikçi. Telif hakkı © 2018-2026 Xi'an Kacise Optronics Co.,Ltd. - Tüm haklar saklıdır.